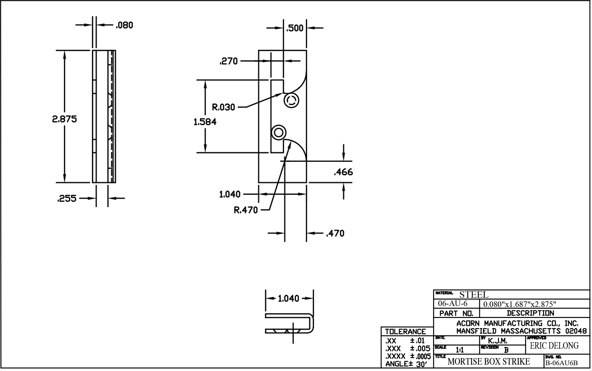
Box Strike - This component comes with all our interior and light exterior door latch sets. The box strike is used with an offset latch bar and is mortised into the door jam. 2-7/8" in height, 1" in width, with a 7/16" projection. Includes two, #10 x 1" stainless screws. Made in USA.

